雪尼爾紡紗機是生產雪尼爾紗線的一種新型紡紗設備,其生產加工出來的產品雪尼爾紗線又叫繩絨線又稱繩絨,是一種新型花式紗線,它用兩根股線做芯線,通過加捻將羽紗夾在中間紡制而成。雪尼爾產品可以制成沙發套、床罩、床毯、臺毯、地毯、墻飾、窗簾帷幕等室內裝飾飾品.傳統雪尼爾紡紗機的電機轉速是固定不變的,設備操作復雜且效率低,通過變頻改造后,可克服以上缺點。
紡織行業為國內用電大戶,采用節能高效的永磁同步電機來降低紡織機械的耗電是紡織廠節電的關鍵。近年來,永磁同步電機被大量應用于各類紡織機械,采用變頻技術驅動永磁同步電機,利用永磁同步電機變頻器的調速特點可提高自動化的水平,實現節能降耗、提高經濟效益,是比較理想的解決方案。下面,我們來介紹易能ENA100變頻器驅動永磁同步電機在雪尼爾紡紗機上的應用。

設備介紹
雪尼爾紡紗機主要成紗原理是:將紗線原料(紗、線、長線等)穿過中空的回轉頭立柱、與回轉頭立柱相連的回轉盤后繞在割距片上,回轉盤通過皮帶輪在回轉電機帶動下作高速旋轉;安裝在左右擺臂上,旋轉的左右輸出羅拉依靠擺臂拉簧機構加壓后緊靠在割距片上,割距片上緊密纏繞的絨線被左右輸出羅拉向下剝取,然后被割距片下方的刀片一分為二。繞在左右輸出羅拉上的芯紗與左右穿過割距片的兩根芯紗分別夾住被刀片切割后一分為二的絨線,然后經加捻制成兩股雪尼爾紗線。
系統配置
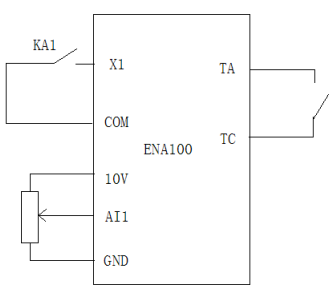
系統配置ENA100變頻器驅動永磁同步電機,通過外部啟動控制變頻器,外部電位器調節頻率,針對不同粗細的紗進行速度調整,同時利用變頻器簡易PLC功能控制初始錠子較細時自動低速運行,2小時后自動高速運行。
?

應用優勢
·系統采用ENA100變頻器后,過載能力強,驅動永磁同步電機的同時,改善了功率因數,節能效果顯著。
·調速范圍寬,速度控制精度±0.5%,對電機進行無級調速,提高了生產效率,滿足了不同生產要求。
·內置簡易PLC功能,簡化了操作及接線,實現了不同工藝下的高低速自動切換運,大大減少了細錠子時的斷紗率。
·易能ENA100變頻器提供了完善的過流、過壓、欠壓、過載等保護功能,使系統運行安全可靠,得到用戶一致好評。
? 4000-711-088
深圳市南山區桃源街道麗山路大學城創業園1503室
0755-26985120
info@enc.net.cn